2-kanálový osciloskop pro diagnostiku vozidel PicoScope 4225A
2-kanálový digitální paměťový osciloskop zejména pro diagnostiku motorových vozidel v základní verzi od předního světového výrobce Pico Technology Ltd.- PicoScope jsou nejrozšířenější osciloskopy pro měření a diagnostiku komponentů motorových vozidel na světě
- osciloskopy pro diagnostiku motorových vozidel renomovaného britského výrobce Pico Technology Ltd. doporučuje více než 20 světových výrobců automobilů
- osciloskopy PicoScope 4225A a 4425A představují nejmodernější přístroje pro diagnostiku automobilů nejenom se zážehovými a vznětovými motory, ale také pro hybridní automobily a dílčím způsobem pro elektromobily
- 2-kanálový osciloskop je optimální alternativou pro uživatele, které chce měřit 1 až 2 signály naráz
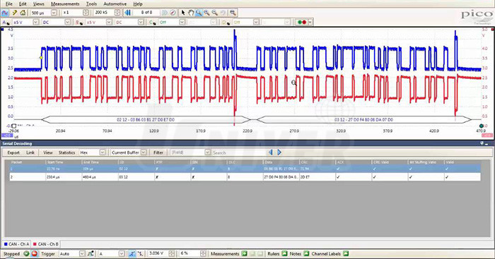
- PicoScope série 4000 provádějí až 400 milionů snímků za sekundu, což je taková rychlost, že to umožňuje zpracovávat i signály FlexRay a CAN Bus
- PicoScope 4225A a 4425A mají na rozdíl od předchozích modelů výhodu PicoBNC+detekci sondy, což přináší úsporu času a redukuje chyby, PicoBNC+proudově napájené sondy, které jsou vždy díky napájení vždy připravené k použití (žádné vybité baterie!), baterie už neomezují dlouhodobější měření pomocí proudových kleští, PicoBNC+softwarové ovládání umožňující automatické resetování / nulování proudových kleští a dalších sond, znemožňují chybné nastavení spínačů sond, LED-statut kanálů umožňuje obsluze rozpoznat, které sondy se kterými kanály mají být spojené a které kanály jsou aktivní, PicoBNC+sondy měření odporu zlepšují měřicí možnosti a umožňují spolehlivé dynamické testy, jakož i kontrolu změny odporu v reálném čase (testy "viklání"), PicoBNC+teplotní sondy rovněž zlepšují měřicí možnosti, které umožňují zjistit souvislosti závad teploty a výkonu klimatizací k časové ose atd.
- PicoScope 4225A a 4425A disponují 8-násobně větší kapacitou paměti než osciloskopy předchozí generace, což mimo jiné umožňuje zjišťování komplexnějších, jen občas se vyskytujících závad
- vysoký vstupní rozsah ± 200 V znamená, že už není při testech zapotřebí žádný externí napěťový dělič a pro ovládání vysokých napětí 1400 V a více mohou být použité diferenciální snímací hlavy
- beznapěťové vstupy disponují vlastní kostrou, která je oddělená od USB, každý vstup je nezávislý, což zvyšuje flexibilitu a umožňuje přímé měření signálů, např. i Resolver-zapojení v hybridních automobilech
- praktická funkce ConnectDetect umožňuje poznat, zda jsou připojení v obtížně přístupných místech správná, stav připojení se zobrazuje na velkém displeji (zelený indikátor)
- řada funkcí, např. automatické měření a možnost uložení a výtisku průběhu signálů
- stačí si vybrat testovaný snímač nebo okruh a software zajistí automaticky potřená nastavení a ukáže detaily, jak osciloskop připojit, kromě toho jsou uvedeny pokyny k dispozici je ukázkový průběh signálu a technické informace ke zkoušenému dílu
- použít lze rovněž systém PicoDiagnostic, který provede kontrolu po jednoduchém připojení na baterii kontrolu stavu motoru – test komprese (relativní komprese na každém válci), vyvážení válců / výpadky zapalování (na každém válci), test baterie (CCA, měří se stav nabití a napětí během startování motoru), test startéru (měří se odpor cívky startéru a úbytek napětí na kabelech), test alternátoru (měří se nabíjecí napětí a proud, zjišťuje se nepřiměřené diodové zvlnění), výsledky jsou zobrazeny i jako sloupkové diagramy
- testovat lze rovněž snímače (ABS, měřič hmotnosti vzduchu, snímač klepání, kliková hřídel, tlak paliva), akční členy (palivové čerpadlo, žhavicí svíčky, regulace otáček volnoběhu, vstřikovací systém, krokový motorek), zapalování (primár, sekundár, dílčí zapalovací cívka, výpadky zapalování, čas prodlevy a spalování)
- PicoScope-software nevyžaduje žádné roční předplatné a aktualizaci lze kdykoliv bezplatně stáhnout
- bohatá knihovna vzorových/referenčních oscilogramů/průběhů signálů
- možnost vytvoření vlastní databanky ukázkových průběhů signálů
- spolehlivá ochrana proti přetížení i zkratu
- uživatelsky snadná a příjemná obsluha
- rozsáhlá nabídka příslušenství
- vysoká technická úroveň světového výrobce, provozní spolehlivost a dlouhá životnost
Obsah dodávky:
1 ks PicoScope 4225A, 2-kanálový
1 ks TA155 - Pico USB 3.0 kabel, dl. 1,8 m
Technické parametry:
osciloskop
|
počet kanálů vertikální rozlišení přesnost / stejnosměrný proud citlivost vstupní napěťový rozsah (celý rozsah) vstupní impedance typ vstupu přepěťová vstupní ochrana vyrovnávací paměť paměť průběhů signálů časové základny šířka pásma maximální vzorkovací kmitočet 1 kanál v použití 2 kanály v použití |
2 12 Bit (16 Bit při optimalizovaném rozlišení) ± 1 % z celkového rozsahu (2 % v napěťovém rozsahu 50 mV) 10 mV/dílek až 40 V/dílek ± 50 mV až ± 200 V ve 12 rozsazích 1 MΩ paralelně s 24 pF beznapěťový, jednopólový BNC-konektor ± 250 V (DC – AC hroty) 250 milionů snímání, rozdělené na aktivní kanály až 10 000 průběhů 5 ns/dílek až 5000 s/dílek 20 MHz (10 MHz v napěťovém rozsahu ± 50 mV) 400 MS/s 200 MS/s |
trigger
|
zdroj základní trigger rozšířený trigger |
jakýkoliv vstupní kanál automatický, opakovaný, jediný, žádný náběh impulsu, pokles impulsu, impuls s hysterzí, šířka impulsu, výpadek, okno, logika |
spektrální analyzátor
|
frekvenční rozsah modus zobrazení |
až 20 MHz (DC) intenzita, uložení špičkové hodnoty, průměr |
provozní podmínky
|
provozní teplota teplota skladování provozní vlhkost vzduchu vlhkost vzduchu při skladování rozměry hmotnost |
0°C až 40°C (15°C až 30°C pro uváděnou přesnost) - 20°C až + 60°C 5 % až 80 % relativní vlhkost 5 % až 95 % relativní vlhkost 190 x 160 x 40 mm 900 g |


