Ruční hydraulické jámové zvedáky JZ-RH
Ruční hydraulické jámové zvedáky v nosnostech 1,6 až 20 t pro zvedání motorových vozidel nebo jejich agregátů.- ruční hydraulické jámové zvedáky se standardním nebo s nízkouloženým pojezdem
- zdvih 500 mm, od nosnosti 6,3 t již 600 mm, a ve všech nosnostech může být zdvih i 800 mm
- zvedáky se zdvihem 800 mm a zvedáky nad 6,3 t se zdvihem 600 mm jsou vybaveny rychlozdvihem při zdvihu bez zatížení
- u zvedáků v provedení 1,6 t / 2,5 t / 3,2 t / 800 mm může být čerpadlo s rychlozdvihem na přání
- patka jámových zvedáků mají po stranách zaoblené vybrání pro lepší stabilitu zvedané nápravy
- kladky pojezdů a zvedáků jsou osazeny ložisky pro snadné pojíždění po montážní jámě
- vysoká kvalita, provozní spolehlivost a dlouhá životnost
- česká výroba
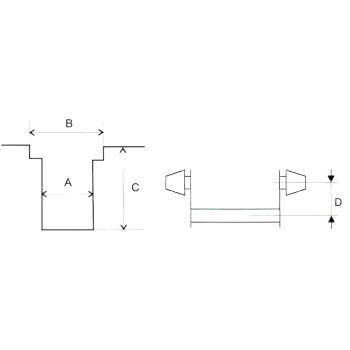
Pojezd jámového zvedáku se vyrábí převážně podle rozměru montážní jámy, a proto je třeba uvádět tyto rozměry podle připojeného nákresu:
A - šířka montážní jámy
B - rozměr pro pojezd nebo velikost profilu L, příp. jiného profilu
C - hloubku montážní jámy od podlahy.
Ruční hydraulické jámové zvedáky
| typ/zdvih (mm) | nosnost (kg) | cena |
|
JZ-RH 1,6/500 JZ-RH 1,6/500 (pro STK) JZ-RH 2,5/500 JZ-RH 3,2/500 |
1600 1600 2500 3200 |
Kč 25.760,- Kč 35.420,- Kč 37.700,- Kč 38.700,- |
Ruční hydraulické jámové zvedáky - EKONOMICKÁ VERZE
| typ/zdvih (mm) | nosnost (kg) | cena |
|
JZ-RH 6,3/600 E JZ-RH 10/600 E JZ-RH 12/600 E JZ-RH 15/600 E |
6 300 10 000 12 000 15 000 |
Kč 51.520,- Kč 57.960,- Kč 62.790,- Kč 75.555,- |
Pozn.:
1. JZ-RH 15/600 E – čerpadlo rychlozdvihu je již v ceně.
2. Volitelné příslušenství k jámovým zvedákům JZ-RH 6,3/600 E až JZ-RH 12/600 E:
- druhé čerpadlo rychlozdvihu ... Kč 7.820,-
- nástavec 150 mm ... Kč 2.415,-
Ruční hydraulické jámové zvedáky
| typ/zdvih (mm) | nosnost (kg) | cena |
|
JZ-RH 1,6/800 JZ-RH 2,5/800 JZ-RH 3,2/800 JZ-RH 6,3/800 JZ-RH 10/800 JZ-RH 12/800 JZ-RH 15/800 JZ-RH 20/800 |
1 600 2 500 3 200 6 300 10 000 12 000 15 000 20 000 |
Kč 32.200,- Kč 36.225,- Kč 40.595,- Kč 67.620,- Kč 75.670,- Kč 80.385,- Kč 91.770,- Kč 104.650,- |
Pozn.: 1. U jámových zvedáků JZ-RH 1,6 / 2,5 / 3,2 /800 se dodává druhé ruční čerpadlo s rychlozdvihem ... Kč 5.635,- . Není to ale nutné.
Ruční hydraulické jámové zvedáky nízkouložené
s nízkouloženým pojezdem i pro demontáž agregátů (zdvih 1 100 mm)
| typ/zdvih (mm) | nosnost (kg) | cena |
|
JZ-RH 2,5/1100 JZ-RH 6,3/1100 JZ-RH 10/1100 JZ-RH 12/1100 |
2500 6300 10000 12000 |
Kč 60.835,- Kč 78.200,- Kč 93.495,- Kč 100.280,- |
Objednávka zboží
Tento produkt není možné objednat přes e-shop. V případě Vašeho zájmu nás kontaktujte nebo použijte poptávkový formulář.


